Ticker

6/recent/ticker-posts

Advertisement

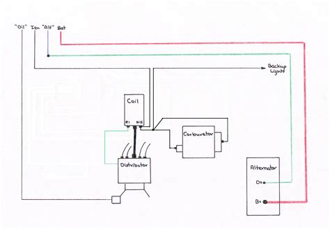
Wiring Diagram For Vw Alternator

The Wiring Diagram For Vw Alternator you are looking for can be downloaded for free here. The Wiring Diagram For Vw Alternator can only be downloaded after you have registered and will be your full ownership. You can also download in a variety of formats such as PDF, epub, and also document MS word. You will not be charged the slightest cost because everything we provide here is free.

For those of you who have already registered, we give 100% full access to be able to download all the files that we have provided. You can use the lookup column to search for any document headings. With you being a member on our website then you are willing not to resell any of the documents you get from here.

DOWNLOAD

Wiring Diagram For Vw Alternator eBook Preview